
直流电抗器
产品特点(Product Features):
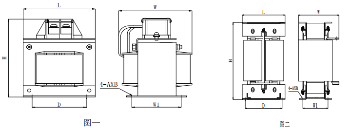
直流平波电抗器在电路中主要用于改善电网质量,提高功率因素之用,我司生产的直流平波电抗器采用进口冷轧矽钢精致而成,主要由铁芯和线圈两部分组成,铁芯一般为两芯柱式结构,两芯柱由多只 硅钢片铁饼迭积而成,中间有绝缘板隔离,不让铁芯出现磁饱和;铁轭为方轭,组装后依靠拉紧螺杆上 下压紧,以减少噪音。本产品为干式自冷,有B级和F级两种绝缘等级。具有体积小,温度低,无噪音等 特点。直流规格从2A-10KA不等,电压从220V-2000V.
Dc flat wave reactor in the circuit is mainly used to improve the quality of power grid,improve power factor, we produce dc flat wave reactor is made of high quality imported coldrolled an, mainly consists of two parts, iron core and coil, general is two core column type structure, core column by more than two core silicon steel sheet piled up by, discus overlappinginsulation board isolation between them, don't let the iron core in magnetic saturation; Iron yoke for yoke, assembled on tighten screw clamp up and down, in order toreduce noise. This product is a dry from the cold, there are two class B and class F insulationclass. With small size, low temperature, no noise, etc. Dc specifications ranging from 2 a - 10 ka, voltage from 220 v to 2000 v.
产品简述(Product Profile):
DCL 滤波电抗器,又称直流平波电抗器,用于变频器直流侧,电抗器中 流过的是具有交流分流量的直流电流,它的作用是将叠加直流电路上断续 权限趋于某一规定之内。还用于并联变频器的直流侧对藕,降低断续权 限,限制环流线路中的环流,应用于直流快速开关,切断故障电流时限制 电流的上升率;还被用在电流、电压型变频器中间,抑制回路中的直流平 波,还可用于整流电源平波,以消除纹波。
DCL Dc flat wave reactor, filter reactor, also called for the inverter dc side, flows reactorwith a shunt amount of dc current, its role is to stack dc circuit intermittent rights tend to be within a certain regulations. Also for parallel inverter dc side of lotus root, reduce intermittent privileges, restrictions on circulation in line, is applied to the dc switch quickly, when to cut off the fault current limiting current rising rate; Also be used in the middle of the current, voltage type inverter, inhibition of dc flat wave in the loop, can also be used for rectifying power supply flat wave, to eliminate the ripple
性能指标及参数(The performance index and parameters):
1、额定工作电压:380V/50Hz或660V/500Hz
2、额定工作电流:3A至2000A/40℃
3、抗电强度:铁芯-绕组300VAC/50Hz/5mA/10s,无飞弧击穿(工厂测试)
4、绝缘电阻:1000VDC 绝缘阻值≥100MΩ
5、电抗器噪音:<60dB(与电抗器水平距离点1米测试)
6、防护等级:IP00
7、绝缘等级:F级以上
8、产品执行标准:REC289:1978电抗器
GB10229-88 电抗器(eqv IEC289:1987)
JB9644-1999 半导体电气传动用电抗器
1、and the rated working voltage: 380V/50Hz or 660V/500Hz
2、rated current: 3A to 2000A/40℃
3、the electric strength: core and winding 300VAC/50Hz/5mA/10
s, no arcing breakdown (factory)
4、insulation resistance: 1000 VDC insulation resistance Ω
100 m or more
5、and reactor noise: < 60 db (1 meter test and reactor
horizontal distance point)
6、protection grade: IP00
7、insulation class: F above
8、product standards: REC289:1978 reactor
GB10229-88 reactor (eqv IEC289:88)
JB9644-1999 semiconductor electric transmission in reactor
产品识别码(Product Identification Code)

备注:M=mH U=uH C=铜材 A=铝材
选型表OC380V(Selection Table OC380V):
备注:其他规格尺寸,可根据客户要求制造。
服务热线: