Name classification
上海巨格电气有限公司
手机:18116084921 余工 座机:021-58185300 Q Q:1017626697 微信:18116084921 传真: 021-58185007 地址: 上海浦东新区南汇工业园区园西路318号 网址: www.giantelectric.cn
产品展示
您现在的位置:网站首页 >产品展示
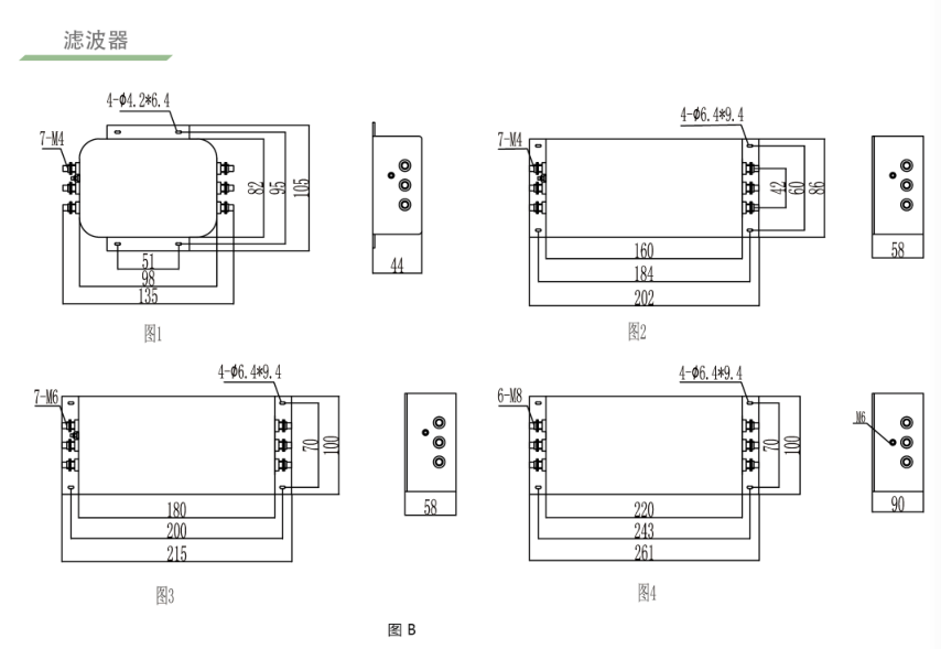
输出滤波器
产品特点:
NF滤波器该类产品具有良好的干扰抑制能力,置于变频器输出端,能有效减少变频器产生的电磁干扰。
1.额定电压: 440/250V AC 2.试验电压:线至线1500V DC线至地1500V AC/2500V DC 3.工作频率: 50/60Hz 4.温度范围: -25~+80*C 5. 绝缘电阻:线至地21500MQ
网站客服咨询客服
热线电话: 18116084921