
波纹电阻器
产品特点(Product Features):
1、额定功率范围:50W-3000W 1、Power Range:50W-3000W
2、工作电压范围:≤1.2KV 2、Voltage Range:≤1200V
3、额定阻值范围:1Ω-10KΩ 3、Resistance Range:1Ω-10KΩ
4、耐压范围:AC3KV 50HZ/5s 4、Dielectric Strength:AC3KV 50Hz/5s
5、IP等级:IP00 5、IP Protection:IP00
6、优势:可做高电压等级 6、Advantage:High Voltage Application
7、劣势:抗震性较差 7、Disadvantage:Less Vibration
产品介绍(Product Profile):
RPWL 系列波纹电阻器采用的是在陶瓷管作为骨架,在陶 瓷上引出两个端子,在陶瓷管表面上均匀缠绕上波纹状合金 电阻丝,表面上涂有高温绝缘涂料。陶瓷管作为电阻丝骨架 的同时,还具有散热功效。本品适用于模拟负荷试验、设备 放电、自动控制、变频器能耗制动等。
RPWL By series of corrugated resistor is in ceramic tube as a skeleton, raises the two terminals in the ceramic, the ceramic tube corrugated alloy resistance wire is uniformly wound on the surface, the surface is coated with high temperature insulation coating. Ceramic tube as the resistance wire skeleton and also with heat radiation function. This product is applicable to simulate the load test, the equipment discharge, automatic control, inverter power brake.
产品识别码(Product Identification Code)

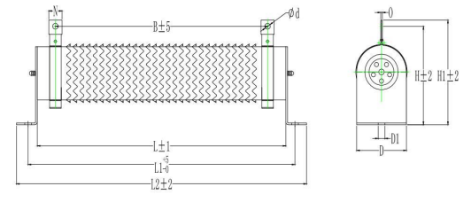
产品尺寸表(Product Size):
选型表(Selection Table):
服务热线: